EN

服务热线:0086-574-62719988

←   返回产品列表

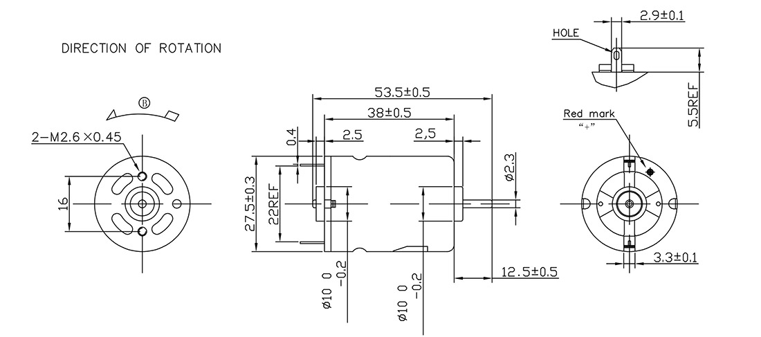
ADRS380SAE

直流电机:ADRS380SAE

可选参数:轴长,

电压7.2V-80V,

转速2000rpm-30000rpm

典型应用:扫地机、电剪刀、螺丝批、电磨头

数量:
询价 加入询价篮
更多详情

ADRS385(380)SAE外形图.jpg

ADRS380(385)SA.jpg

上一页     ADRS550PH  

下一页     ADRS365SA  

询价篮
0